Home BMW Repair BMW 7 Series (E32): 1988-94 Manual

<< previous image

next image >>

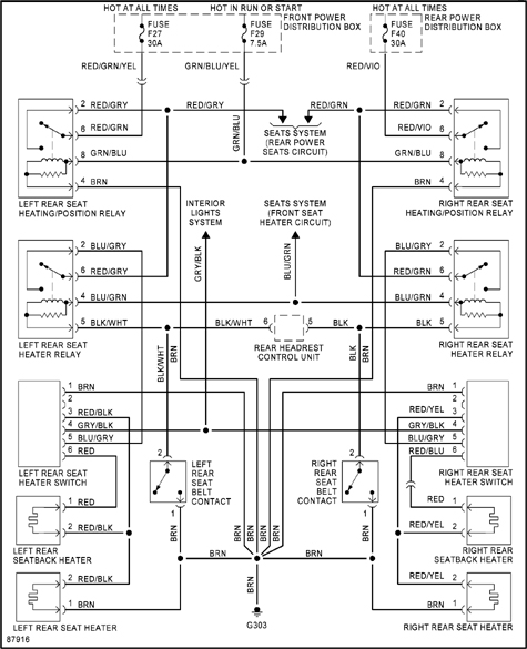
1990 750iL Rear Seat Heater Circuit
Electrical Wiring Diagrams
page ELE-251
1990 750iL Rear Seat Heater Circuit

ELE Electrical Wiring Diagrams
ELE-251

<< previous image

next image >>